Honda Engine Sales
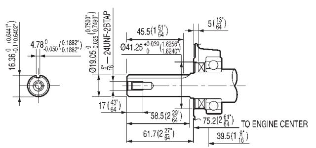
HONDA ENGINE, GX120UT2QX2
|
Click on above thumbnails for alternate view |
|
Manufacturer: HONDA
Model: GX120UT2QX2
Sale Price: $393.60
* Prices are subject to change.
* Please call us with any questions about our honda engine gx120ut2qx2 in Paris, serving Jackson, Clarksville, Murray, Memphis, Nashville, and Paducah KY.


